當前位置:首頁>>產品中心>>壓力/差壓/密度變送器系列 >
磁助電接點壓力表
一、磁助電接點壓力表概述磁助電接點壓力表**應用于石油、化工、冶金、電站等工業部門或機電設 備配套中測量無爆炸危險地各種流體介質的壓力。通常,儀表經與相應的電氣器件(如繼電器及接觸器等)配套使用,···
訂購熱線:181-5507-8261

一、磁助電接點壓力表概述
磁助電接點壓力表**應用于石油、化工、冶金、電站等工業部門或機電設 備配套中測量無爆炸危險地各種流體介質的壓力。通常,儀表經與相應的電氣器件(如繼電器及接觸器等)配套使用,即可對被測(控)壓力系統實現自動控制和發信(報警)的目的。
磁助電接點壓力表不僅具有設計新穎、結構可靠、品種齊全、動作穩定性好、 適應性強的特點外。而且又具有測控并茂、安裝簡單、維護量小等優點,因此, 它是一般無指示、無切換差調整和無外設定裝置的壓力控制器所無可比擬的壓力測控儀表。
二、磁助電接點壓力表結構原理
磁助電接點壓力表由測量系統、指示裝置、磁動電接點裝置、外殼、調整裝置和接線盒(插頭座)等組成。
磁助電接點壓力表的工作原理是基于測量系統中的彈簧管在被測介質的壓力作用下,迫使彈簧管之末端產生相應的彈性變形-位移,借助拉桿經齒輪傳動機構的傳動并予放大,由固定于齒輪軸上的指示指針(連同觸頭)逐將被測值在度盤上指示出來。與此同時,當其與設定指針上的觸頭(上限或下限)相接觸(動斷或動合)的瞬時,致使控制系統中的電路得以斷開或接通,以達到自動控制和發信報警的目的。
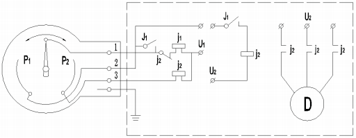
三、電氣線路連接示意圖

四、主要技術指標

磁助電接點壓力表**應用于石油、化工、冶金、電站等工業部門或機電設 備配套中測量無爆炸危險地各種流體介質的壓力。通常,儀表經與相應的電氣器件(如繼電器及接觸器等)配套使用,即可對被測(控)壓力系統實現自動控制和發信(報警)的目的。
磁助電接點壓力表不僅具有設計新穎、結構可靠、品種齊全、動作穩定性好、 適應性強的特點外。而且又具有測控并茂、安裝簡單、維護量小等優點,因此, 它是一般無指示、無切換差調整和無外設定裝置的壓力控制器所無可比擬的壓力測控儀表。
二、磁助電接點壓力表結構原理
磁助電接點壓力表由測量系統、指示裝置、磁動電接點裝置、外殼、調整裝置和接線盒(插頭座)等組成。
磁助電接點壓力表的工作原理是基于測量系統中的彈簧管在被測介質的壓力作用下,迫使彈簧管之末端產生相應的彈性變形-位移,借助拉桿經齒輪傳動機構的傳動并予放大,由固定于齒輪軸上的指示指針(連同觸頭)逐將被測值在度盤上指示出來。與此同時,當其與設定指針上的觸頭(上限或下限)相接觸(動斷或動合)的瞬時,致使控制系統中的電路得以斷開或接通,以達到自動控制和發信報警的目的。
三、電氣線路連接示意圖

四、主要技術指標

上一條:精巧型壓力變送器
下一條:膜片壓力表
跟此產品相關的產品 / Related Products
產品中心
Product Center
聯系我們




