當前位置:首頁>>產品中心>>壓力/差壓/密度變送器系列 >
風壓變送器
一、風壓變送器產品概述風壓變送器選用高穩定性傳感器芯片,采用獨特的應力隔離技術,經精密溫度補償及高穩定性放大處理,將被測介質的差壓信號轉換成4~20mADC、0~10mADC或0~5VDC標準信號···
訂購熱線:181-5507-8261

一、風壓變送器產品概述
風壓變送器選用高穩定性傳感器芯片,采用獨特的應力隔離技術,經精密溫度補償及高穩定性放大處理,將被測介質的差壓信號轉換成4~20mADC、0~10mADC或0~5VDC標準信號輸出。高質量的傳感器、精湛的封裝技術及完善的裝配工藝,確保了該產品質量優異和性能。
風壓變送器有多種接口形式和引線方式,并可配置一體指針或數字表頭,現場顯示差壓值,零點、量程連續可調。該產品**用于爐堂壓力、煙塵治理、風機、空調機等場所進行壓力、流量的檢測和控制。此類變送器也可單端使用測表壓(負壓)。
二、風壓變送器技術指標
測量范圍:0~0.2~1000KPa 量程連續可選

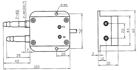
三、風壓變送器結構尺寸
殼體材料:合金鋁
壓力接口:φ8寶塔頭
重量:約0.3kg

四、安裝要求及注意事項
1、安裝前請檢查標牌上所標型號、量程及工作電源與使用現場是否一致。
2、變送器有φ8寶塔頭,可直接與被測現場的高(H)、低(L)壓端聯連,無需安裝支架。
3、為避免變送器單端受壓造成過載損壞,在變送器現場的高低壓接口之間,建議加裝平衡閥。

4、變送器*好選用水平安裝形式,其它形式安裝可能會影響零點輸出。
5、在測量高溫介質時,請使用引壓管或其它冷卻裝置,把溫度降至變送器允許使用溫度范圍內。
6、露天安裝時,應盡量把變送器置于干燥處,避免強光直射和雨淋,否則可能會使變送器性能變差或出現故障。
7、變送器應盡量安裝在溫度梯度和溫度波動小的地方,同時避免強振動和沖擊。
8、變送器在補償溫度范圍之外工作性能有所下降。
9、環境溫度或測量介質溫度驟然劇變時,變送器信號會出現跳動,屬正常現象。待環境溫度及介質溫度穩定后,變送器輸出信號也會穩定。
風壓變送器選用高穩定性傳感器芯片,采用獨特的應力隔離技術,經精密溫度補償及高穩定性放大處理,將被測介質的差壓信號轉換成4~20mADC、0~10mADC或0~5VDC標準信號輸出。高質量的傳感器、精湛的封裝技術及完善的裝配工藝,確保了該產品質量優異和性能。
風壓變送器有多種接口形式和引線方式,并可配置一體指針或數字表頭,現場顯示差壓值,零點、量程連續可調。該產品**用于爐堂壓力、煙塵治理、風機、空調機等場所進行壓力、流量的檢測和控制。此類變送器也可單端使用測表壓(負壓)。
二、風壓變送器技術指標
測量范圍:0~0.2~1000KPa 量程連續可選

三、風壓變送器結構尺寸
殼體材料:合金鋁
壓力接口:φ8寶塔頭
重量:約0.3kg

四、安裝要求及注意事項
1、安裝前請檢查標牌上所標型號、量程及工作電源與使用現場是否一致。
2、變送器有φ8寶塔頭,可直接與被測現場的高(H)、低(L)壓端聯連,無需安裝支架。
3、為避免變送器單端受壓造成過載損壞,在變送器現場的高低壓接口之間,建議加裝平衡閥。

4、變送器*好選用水平安裝形式,其它形式安裝可能會影響零點輸出。
5、在測量高溫介質時,請使用引壓管或其它冷卻裝置,把溫度降至變送器允許使用溫度范圍內。
6、露天安裝時,應盡量把變送器置于干燥處,避免強光直射和雨淋,否則可能會使變送器性能變差或出現故障。
7、變送器應盡量安裝在溫度梯度和溫度波動小的地方,同時避免強振動和沖擊。
8、變送器在補償溫度范圍之外工作性能有所下降。
9、環境溫度或測量介質溫度驟然劇變時,變送器信號會出現跳動,屬正常現象。待環境溫度及介質溫度穩定后,變送器輸出信號也會穩定。
上一條:膜片壓力表
下一條:隔膜壓力表
跟此產品相關的產品 / Related Products
產品中心
Product Center
聯系我們




